Series CARD Combination Air Release / Degassing Valve
Innovative Design Provides Three Different Venting Functions

Features/Benefits:
- Combination of features within one valve enclosure:
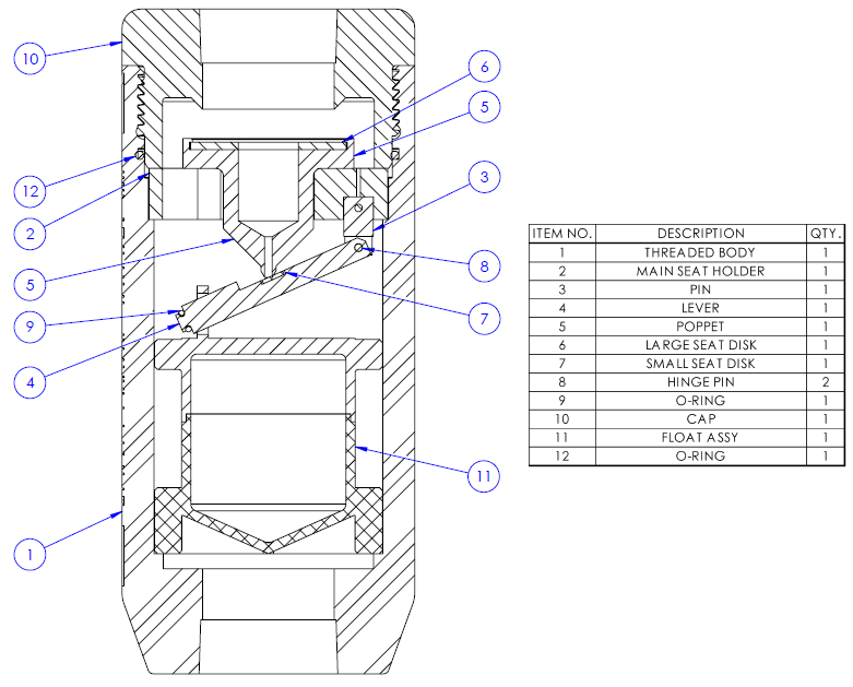
Each valve consists of three functional valves...
- Air Release Valve, which releases air during system start up.
- Degassing Valve, which provides continuous degassing.
- Vacuum Relief Valve, which prevents pipeline vacuum in case of leaks or siphon.
- Cost Efficient: When three types of venting valves are needed, this valve will serve the function of all three.
- Safety: Allows safe expulsion of unwanted air in piping system.
- Dependability: The self-guided, high buoyancy float, in combination with the elastomeric sealed poppet assures leak tight sealing with minimal emission of process fluid.
- Superior Design: Simplicity of design assures reliability. The poppet seals more reliably than a ball type seal, which deforms under load.
- Minimum Closing Pressure: The high buoyancy float causes the valve to close tight at 0 PSI after expelling all air. Liquid will not escape. If air enters the system the valve will expel that air without allowing liquid to escape, even if the system is still under operating pressure.
- Corrosion Resistant: Top quality thermoplastics and elastomers resist chemical attack, and protect system purity. There are NO metal parts in the valve.
Description:
The CARD valve series is available in 1”, 2”, and 4” NPT (CARD100, CARD200, and CARD400 respectively). The valves are available in Geon PVC or Corzan CPVC plastic, and with Viton or EPDM seal materials. The valves are Normally Open (NO) when there is no pressure or liquid in the piping system.
Process connections are NPT or socket. Vent side connection is NPT, with optional cap.
For other material or connection requirements, please consult factory.
How it Works:
Series CARD provides three functions. First, when a pipeline is being filled with liquid, the valve allows the air to escape through its large orifice at the same rate is the liquid is filling the pipes. This is the AIR RELEASE VALVE function. The valves are designed to be used at the industry standard pipe filling rate of approximately 1 ft. /sec (reference American Water Works Association AWWA manual M51). When the pipeline is filled, liquid will enter the valve and the high buoyancy float will rise causing the elastomeric sealed poppet to rise and shut off the large valve orifice. The high buoyancy float causes the poppet to have a large sealing force holding the large orifice tightly closed, regardless of system pressure, as long as it is higher than atmospheric pressure.
If air enters the pipeline through leaks or other means, air will enter the valve, the valve float will drop and open a small orifice that will allow the air to escape. Note that the large orifice will remain closed as long as the pressure in the pipeline remains above atmospheric. When the air has escaped, liquid will enter the valve causing the float to rise and shut the small orifice tight. This is the DEGASSING VALVE function. This mode is made possible by a combination of a lever and engineered force balanced float that allows the small degassing orifice to open even though the piping system is still under pressure. The large orifice remains closed as long as the pipeline pressure is above atmospheric.
If there is a break in the pipeline causing sudden loss of liquid, vacuum could form in the pipeline which could cause pipe collapse or unwanted siphon. In this event the body of the CARD valve will empty of liquid, the float will drop allowing the large orifice to open, which in turn allows atmospheric air into the pipeline, preventing vacuum from forming. This is the VACUUM RELIEF VALVE mode.
Important: Please note that because Series CARD is a normally-open valve, it should not be used in applications requiring a normally-closed vacuum breaker.
Note that the high buoyancy float will operate in fluids up to a specific gravity of 0.9. The float is guided within the valve body by low friction ribs that prevent it from jamming within the valve.

Sizing Charts:

Dimensions & Ordering Information:

Part number must be completed with seal material, process connection, and body material, for example:
CARD(series) 100(size) EP(seal material) T(process connection) - PV(body material)
• For Viton seals, use "V" for example CARD100VT-PV; for EPDM seals use "EP" as shown above.
• Standard connections are threaded. For socket connection, change "T" to "S" for example CARD100VS-PV.
• For Corzan CPVC body, use "-CP" for example CARD100VT-CP; for PVC body use "-PV" as shown above.
• For optional dust cap, consult factory.
Installation Notes
There are many different locations within a pipeline where air valves are needed. The American Water Works Association (AWWA) manual M51 is an excellent reference source. In general, Series CARD should be installed at the highest possible point in a piping system or vessel, and it must be oriented upright, with the outlet vent on top. In most cases, residual liquid and/or vapor in the valve may be expelled from the outlet port just prior to valve shut-off. Therefore, it is recommended to pipe the outlet port to a safe area for hazardous liquids, or use a standpipe for non-hazardous liquids. There is an NPT thread on top of the valve in case that fluid needs to be contained or safely routed away.