Series EBVA & EBVB Electric Actuators for 2-Way and 3-Way Ball Valves
w/ Manual Override, Visual Position Indicator, Corrosion-Resistant Housing

Series EBVA Features:
- Multi-Voltage with automatic voltage sensing
- Rugged glass-filled polypro construction for corrosive atmospheres.
- Manual override with visual position indication helps prevent disaster in the event of a power failure.
- LED status light.
- Electronic over-torque protection.
- Thermally protected motor.
- Anti-condensation heater.
- CE Marked IP-65 water and dust proof enclosure.
- Easily attached to MBV Ball Valves with Double-D drive.
- Simple connections for remote operation and position indication.
- Fail-Safe and 4-20 mA digital positioner options for control valve applications with characterized profile ball designs.
- Now available 3/8" through 4" sizes.

Series EBVB Features:
Performance and features are identical to EBVA above, with these additional features/upgrades:
- CE Marked IP-67 NEMA4/4X enclosure.
- Easy-to-turn hand wheel manual override.
- High visibility dome style position indicator.
EBVA/TEBVA Model Selection
| Base Models & Specifications |
| Valve Size & Type | Voltage |
Base Model Number |
Max. Run Torque (Nm/in./lbs) | Max. Break Torque (Nm/in./lbs) | Working Time, Seconds 0-90º No Load ±10% |
| 3/8" - 2", 2-way | 85-240 Volts, AC or DC | EBVA1 |
20/177 | 25/221 | 5.5 |
| 3/8" - 2", 2-way | 12-24 Volts, AC or DC |
EBVA2 | 20/177 |
25/221 | 5.5 |
| 3" & 4", 2-way | 85-240 Volts, AC or DC | EBVA3 | 55/487 | 60/531 | 14 |
| 3" & 4", 2-way | 12-24 Volts, AC or DC | EBVA4 | 55/487 | 60/531 |
16 |
| 3/8" - 2", 3-way | 85-240 Volts, AC or DC | TEBVA5 | 20/177 | 25/221 | 5.5* |
| 3/8" - 2", 3-way | 12-24 Volts, AC or DC | TEBVA6 | 20/177 | 25/221 | 5.5* |
| 3" & 4", 3-way | 85-240 Volts, AC or DC | TEBVA7 | 55/487 | 60/531 | 14* |
| 3" & 4", 3-way | 12-24 Volts, AC or DC | TEBVA8 | 55/487 | 60/531 | 16* |
* - When using optional 3-hole ball.
NOTES: EBVA1 and EBVA2 may sometimes be substituted on larger valves for cost savings if pressures/torque values permit. Please consult factory before specifying. |
EBVB/TEBVB Model Selection
| Base Models & Specifications |
| Valve Size & Type | Voltage | Base Model Number | Max. Run Torque (Nm/in./lbs) | Max. Break Torque (Nm/in./lbs) | Working Time, Seconds 0-90º No Load ±10% |
| 3/8" - 2", 2-way | 85-240 Volts, AC or DC | EBVB1 | 20/177 | 25/221 | 5.5 |
| 3/8" - 2", 2-way | 12-24 Volts, AC or DC | EBVB2 | 20/177 | 25/221 | 5.5 |
| 3" & 4", 2-way | 85-240 Volts, AC or DC | EBVB3 | 55/487 | 60/531 | 14 |
| 3" & 4", 2-way | 12-24 Volts, AC or DC | EBVB4 | 55/487 | 60/531 | 16 |
| 3/8" - 2", 3-way | 85-240 Volts, AC or DC | TEBVB5 | 20/177 | 25/221 | 5.5* |
| 3/8" - 2", 3-way | 12-24 Volts, AC or DC | TEBVB6 | 20/177 | 25/221 | 5.5* |
| 3" & 4", 3-way | 85-240 Volts, AC or DC | TEBVB7 | 55/487 | 60/531 | 14* |
| 3" & 4", 3-way | 12-24 Volts, AC or DC | TEBVB8 | 55/487 | 60/531 | 16* |
* - When using optional 3-hole ball.
NOTES: EBVB1 and EBVB2 may sometimes be substituted on larger valves for cost savings if pressures/torque values permit. Please consult factory before specifying. |
Completing the Actuator Model Number
The base actuator number above is only the first part of the specification process. The base actuator for all size valves is offered as either a standard actuator or with a combination of options, and must be specified with a suffix number. In other words, an "EBVA1" must be completed with a second number, for example, EBVA1-1; same order applies to Series EBVB. A table of these suffix numbers is below.
| Standard & Optional Suffixes |
| Valve Option | Model Number Suffix |
| Standard Actuator, no options | -1 |
| w/Fail Safe Option | -2 |
| w/4-20 mA Control Option | -3 |
w/4-20 mA Control Option and Fail Safe Option | -4 |
| w/0-10V DC Control Option | -5 |
w/0-10V DC Control Option and Fail Safe Option | -6 |
Thus, an actuator for a 1/2" Ball Valve that will use 110V AC power and the fail-safe option would be an EBVA1-2 or EBVB1-2. A complete chart of part numbers -- including the valve -- is shown next.
Completing the Actuator Model Number with Valve

* Characterized balls for flow control can be ordered with standard V-cuts, angled at 15º, 30º, 45º, 60º, and 90º. The -C suffix must be completed with a number, as shown in the table below. More information is available here.
| To Specify Characterized Ball Angles |
| Angle | Suffix |
| V-cut with 15º angle | -C1 |
| V-cut with 30º angle | -C3 |
| V-cut with 45º angle | -C4 |
| V-cut with 60º angle | -C6 |
| V-cut with 90º angle | -C9 |
| Linear Flow Cut | -CLF |
 |
Ordering Information:
A standard actuator for 110V or 220V service with no options on a regular, fully-ported 1/2" ball valve in Geon® PVC with FKM seals and threaded connections will be used as an example. The part number, as shown above, would be EBVA1-1-050VT-PV or EBVB1-1-050VT-PV. If this used socket instead of threads, the part number would be EBVA1-1-050VS-PV or EBVB1-1-050VS-PV. All of the standards permutations can be derived from the tables above. If you need further assistance, please contact our Technical Services team at 973-256-3000, 8 AM - 5 PM Eastern Time USA.
Duty Cycle
On/Off duty cycle is 75%, modulating duty cycle (option 3 and 4 only) is 100%.
Customized Valves
Whether your application requires minor modifications to a standard product, or a completely custom valve, Plast-O-Matic has developed thousands of valves for unusual applications since 1967. Depending on the level of customization, minimum quantities may apply. Please contact our Technical Services team at 973-256-3000, 8 AM - 5 PM Eastern Time USA.
Installation and Actuation Signal
Series EBV- mounts easily to the mounting lugs on the True Blue ball valve body, using supplied hardware. Wiring diagrams are included; all wiring should conform to local codes.


NOTE: FAIL SAFE "OPEN" WITH MODULATING OPTION
If an EBVA or EBVB actuator is ordered in the FAIL OPEN configuration, and the actuator contains both the BATTERY BACKUP, and the MODULATING kits, the actuator will move to the FAIL OPEN position upon loss of main POWER.
If you require that the actuator move to the FAIL OPEN position upon loss of CONTROL SIGNAL, then it will be configured such that 4 mA (or 0 VDC) will OPEN the valve, and 20 mA (or 10 VDC) will CLOSE the valve. If you require that 4 mA (or 0 VDC) CLOSE the valve and 20 mA (or 10 VDC) OPEN the valve, then the actuator will CLOSE the valve upon loss of CONTROL SIGNAL. Upon loss of BOTH POWER and CONTROL SIGNAL, the battery will take over and the actuator will move to the OPEN position.
Materials of Construction
Actuator motor is totally contained within an anti-corrosive glass-filled polypropylene housing designed to meet IP65 (EBVA) or IP67 (EBVB) and is CE approved. Housing screws are stainless steel, seals are Buna-N, and override wheel bearings are PTFE. For optional materials, please consult factory.
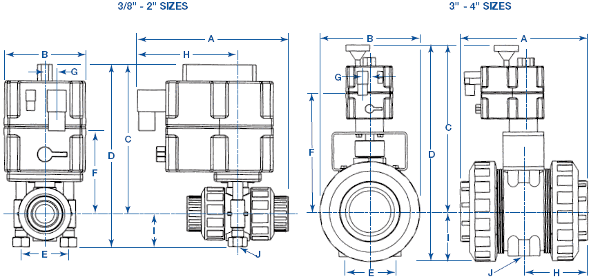
Dimensions


FOR EBVB DIMENSIONS: Please consult the Cut Sheet.
Reference Files for EBVA / EBVB
Catalog pages for Series EBVA in .PDF format -- ideal for printing
Installation and Maintenance Instructions for Series EBVA in .PDF format -- ideal for printing
Wiring Diagram for Modulating EBVA (4-20mA or 0-10 VDC) in .PDF format
Upgrade EBV to EBVA; Wiring Changeover Instructions in .PDF format
Video presentation of Series MBV - the ball valve body used with the True Blue Electric Actuator.
Left Click to Play, Right Click to Download
Helpful Links
Ball Valves Index Page -- Overview and links to all ball valves, actuators, and accessories. Possibly the page you were on prior to this one.
Series MBV -- True BlueBall Valves -- Manual version of Plast-O-Matic's popular ball valveline; constructed with integral mounting lugs for easy addition of anactuator when needed. Features also include Trunnion design, reinforced shaft and PTFE thrust washer. 2-way and 3-waydesigns. Socket, threaded, flanged ends, NPT, BSP or Metric; customizingavailable.
Series ABV -- ActuatedBall Valves -- Pneumatically or hydraulically powered actuators for2-way and 3-way ball valves, sizes 1/2", 3/4", and 1". Air x air and "failsafe" air x spring models available; converts easily between types. Manualoverride standard.
Series ABR -- ActuatedBall Valves -- Pneumatically or hydraulically powered actuators for2-way and 3-way ball valves, sizes 1-1/4", 1-1/2", and 2". Air x Air and"fail safe" Air x Spring models available. Manual override standard on airx air, optional on air x spring version. Air x spring converts easilybetween fail safe "open" and fail safe "closed."
Series TMBV --3-way Manual Ball Valves -- Explanatory page for 3-way ball valves, all sizes. These are the valves that serve as the base for the actuated packages depicted on this webpage.
Series TEBV -- Electrically Actuated Ball Valves 3-Way Electrically-Actuated Ball Valves, for installations where compressed air or hydraulic power is not available or practical.
Series TABV & TABR --Actuated Ball Valves -- Explanatory page for pneumatically orhydraulically actuated 3-way ball valves, all sizes. For actuatorspecifications, use the above links for the appropriate size.
Series LMBV --Lateral Reducing Ball Valve -- Explanatory page for lateral reducingball valves which simplify lateral connections.
Series Z-Vent MBV --Vented Ball Valve for Sodium Hypochlorite -- Vented ball valve for sodium hypochloriteand other applications prone to outgassing.
Series LS --Limit Stops -- For use with actuated ball valves.
Series SW --Limit Switches -- For use with actuated ball valves.
Air-Operated Diaphragm Valves and Globe Valves-Perhaps your application requires more rapid shut-off, or you want to use line pressure to open the valve, or have other reasons you don't specifically want a ball valve. If so, True Blue ASO, BSD, or BSR is likely to meet your needs.
Online Pressure DropCalculator -- Allows you to easily determine the probable pressuredrop across a valve. Note: For comparison and illustrative purposesonly; not to be relied on for system design.
5 Most Common Mistakes When Specifying Valves
Valve Pressure Loss & Flow - Q&A and Equations
(Explains Cv and Delta P, how to better specify valves, etc.)
The Blue Standard Line: The superior True Blue EBVA actuator may also be used with certain products within our Blue Standard line of price oriented valves, such as butterfly valves, lower-cost ball valves, etc.