





Series ZSP cut sheet (PDF) click here
Spigot End Connectors
Kynar® PVDF and Natural Polypropylene connections for use with metric and IPS piping systems • Plast-O-Matic "ZSP"

Features:
- Spigot sizes 20 mm, 25 mm, 32 mm, 50 mm, 63 mm and 90 mm
- IPS sizes ½", ¾", 1", 1½", 2" and 3"
- Highest quality materials used
- Spigots fused at our Cedar Grove, NJ factory by expert technicians
- Each valve and spigot end individually tested and inspected prior to shipment
- High purity cleaning procedure available
High purity spigot end connectors for semiconductor, pharmaceutical and other industrial applications involving critical liquid processing. Valves and spigot ends must be ordered as a set and are fused together by Plast-O-Matic.

Materials:
Spigot connectors available in PVDF Kynar® and Natural Unpigmented Virgin Polypropylene. Some sizes use pigmented polypropylene, based on piping specified. For use with metric and IPS piping systems. Designed for BCF and Infra-Red Butt and Socket Fusion Piping.
Design:
High-Purity Spigot-End Connectors of PVDF Kynar® and Polypropylene are available for Plast-O-Matic PressureRegulators, Series RV Relief, By-Pass and Back pressure Valves, FC Flow Controls, and for Series BSD MiniatureAir-Operated Diaphragm Shut-Off Valves. Available in most cases for other standard valves, as well as custom designed products. For further information consult factory.
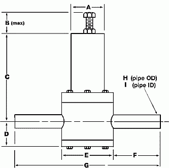
Spigot End Connector Dimensions:
Please note that dimensions for ZSP shown here are for Plast-O-Matic True Blue Pressure Regulators only...for backpressure regulators, diaphragm valves, flow controls, etc. please contact the factory.

| Pipe Size mm | 20 | 25 | 32 | 50 | 63 |
| Pipe Size inches | 1/2" | 3/4" | 1" | 1½" | 2" |
| A | 2.5 | 2.87 | 2.87 | 2.87 | 2.87 |
| B | 1.75 | 2.5 | 2.5 | 2.5 | 2.5 |
| C | 4 | 7.5 | 7.5 | 8 | 9.4 |
| D | 1.75 | 2.25 | 2.5 | 2.75 | 5.13 |
| E | 2.5 | 4.5 | 4.5 | 5 | 7 |
| F* | 2 | 2 | 2 | 2.5 | 2.5 |
| G | 6.5 | 8.5 | 8.5 | 10 | 12 |
| H | .790 | .980 | 1.26 | 1.97 | 2.48 |
| I1 | .640 | .830 | 1.072 | 1.752 | 2.244 |
| H2 | .787 | .984 | 1.260 | 1.969 | 2.480 |
| I2 | .638 | .835 | 1.071 | 1.732 | 2.244 |
* F dimension is identical for all types of valves.
1 Asahi
2 +GF+
3 IPS
Specifications & Ordering Information:

Helpful Links:
Cut Sheet/PDF file for Series ZSP Spigot End Connectors
High Purity Cleanroom Procedure Class 100 cleanroom service w/end protectors, 6 mil bagging, etc.
Series PRE, PR, PRH & PRA High performance True Blue Pressure Regulators.
Series BSD & BSDA PTFE diaphragm Air-actuated shutoff valves for pressure and drain applications.
Online pressure drop calculator use the supplied Cv and known flow rate to calculate and compare performance.
Note: For complete information request catalog:
ZSP
Plast-O-Matic Valves, Inc.
1384 Pompton Avenue
Cedar Grove, NJ 07009 USA
Voice: (973) 256-3000
Fax: (973) 256-4745

Top of PageCopyright © 1997-2012 Plast-O-Matic Valves, Inc.