Call Us: (973) 256-3000 Plast-O-Matic Valves, Inc.
1384 Pompton Avenue
Cedar Grove, NJ 07009 USA
Email:

Heavy Duty Angle Pattern Relief/Bypass/Backpressure Valves
Series RVTX

series rvtx relief valve

  • Offered in Geon® PVC, Corzan® CPVC, PTFE, Kynar® PVDF & Natural Polypropylene
  • 3" sizes
  • Protect systems and equipment from dangerous overpressures.
  • For use as back pressure valve, straight relief, by-pass relief or back pressure regulator.
  • Offer wide range of pressure settings from 5-100 PSI (0.4-8.0 BAR) with sensitive operation.
  • Designed with a smooth & balanced shaft for non-sticking operation.
  • Rolling diaphragm seal isolates spring, prevents corrosion
  • Super high capacity 200 GPM design

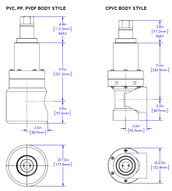
At right is a photo of the "solid" body design, which is the appearance of all RVTX models constructed since 2007 with the exception of CPVC models. Appearance of CPVC models depicted in photos below. Internal design, dimensions, and properties are identical; the two versions differ in external appearance only.

     Film Click here for brief video of how a refief valve works.



Design

200 GPM capacity relief valve, 3 inch size, angle pattern series RVTXThe Series RVTX is an angle-pattern high-flow capacity 3" NPT Relief Valve, for corrosive and ultra-pure liquids. It is constructed of Grade 1, Type 1 PVC, Corzan CPVC, Natural Polypro, or Kynar PVDF with a choice of FKM or EPDM elastomeric seals. Because of the many functions this valve performs, it is also known as a back pressure regulator, pressure retaining valve, bypass valve, and pump bypass valve.

The sensing element is a solid PVC shaft (or stem) with a PTFE thrust washer to reduce friction; working in conjunction with a large area rolling diaphragm. This rolling diaphragm provides much finer sensitivity to changing pressure and enables the valve to provide superior set pressure accuracy. The PTFE washer enables the valve to open more smoothly and rapidly than o-ring or cartridge designs. Control is provided by a stainless steel spring, which is not in contact with liquid. The valve adjusting bolt and lock nut are high density polyethylene (HDPE). External fasteners are stainless steel. Optional Xylan coated springs and fasteners available; consult factory.

Relief/back pressure setting is infinitely adjustable from 5 to 100 psi. When pressure drops below the set point, the valve automatically reseats with a bubble-tight seal. Maximum flow rate is 200 gallons per minute. Designed for heavy duty industrial use, the RVTX is ideal for acids, salt solutions, and other highly corrosive liquids. The design can be customized or made in other materials for special needs.


image of pvc relief valve

Part Numbers

PVC with FKM Seals: RVTX300V-PV
CPVC with FKM Seals: RVTX300V-CP
Polypro with FKM Seals: RVTX300V-PP
PVDF with FKM Seals: RVTX300V-PF

For EPDM seals, change "300V" to "300EP." For example: RVTX300EP-PV.

Photo immediately at right depicts CPVC models, and other body material designs prior to 2007. Internal design and performance properties are identical; the two versions differ in external appearance and minor external dimensions only.



Dimensions


Flow Performance


Flow capacity is max. 200 GPM or 757 liters per minute.


For further information, please contact Tech Sales at: info@plastomatic.com

or click here: CATALOG RVTX IN .PDF FORMAT

CAD Files

3" RVTX .dwg

Plast-O-Matic Valves, Inc. 1384 Pompton Avenue Cedar Grove,
NJ 07009 USA Phone: (973) 256-3000 Fax: (973) 256-4745
California Warehouse 4054 Brewster Way Riverside, CA 92501
Email: info@plastomatic.com Legacy home page: please click here